全国服务热线
400-875-1500
400-875-1500
销售热线:13720093566

扫一扫,添加销售经理
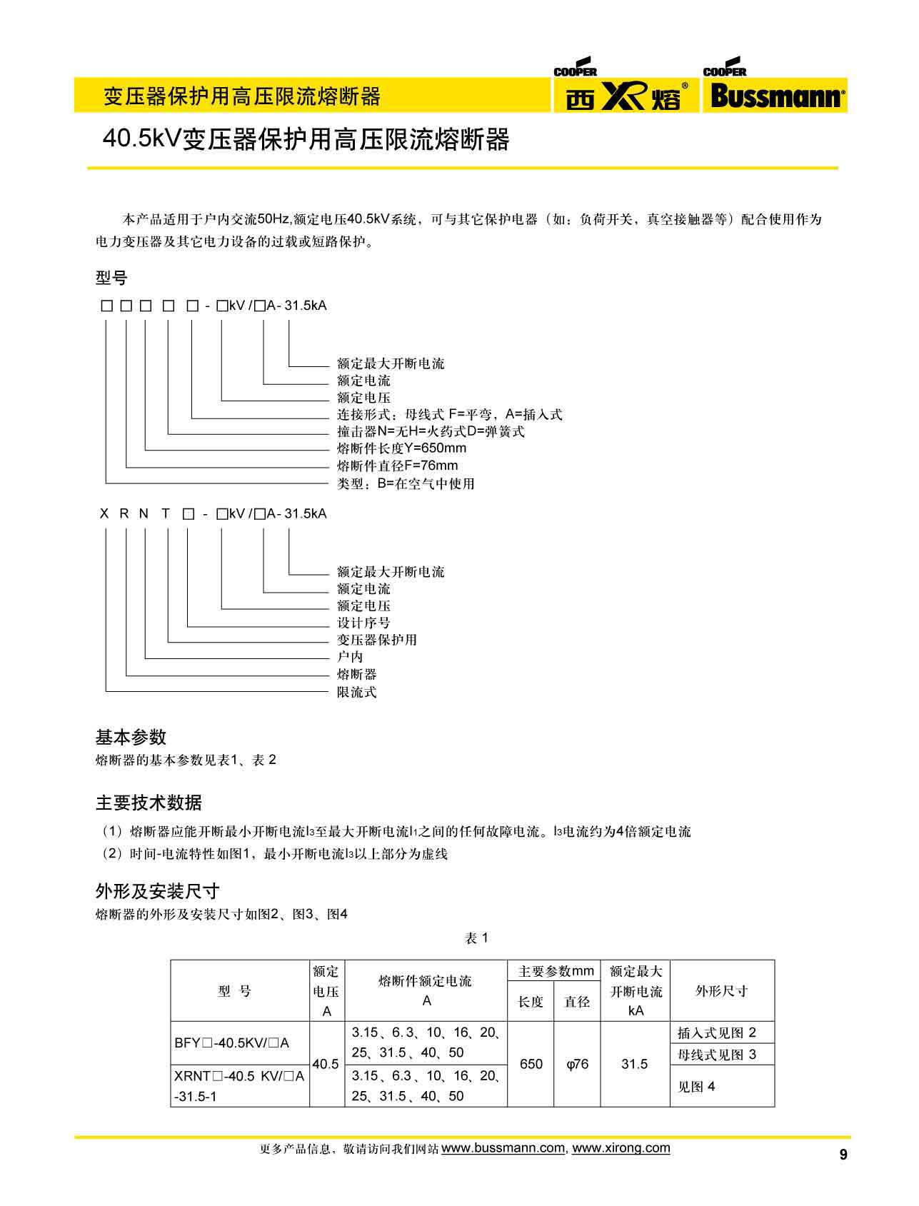
高压限流熔断器XRNP6-7.2KV/0.5-50KA-1
库存型号:XRNP1-12/6.3-50-1;XRNP1-12KV/0.5-50KA-2;XRNP1-12KV/1A-50KA-1;XRNP6-7.2KV/0.5-50KA-1
电压:7.2(3.6)KV;12KV;40.5KV
电流:0.2-6.3A
应用:电力变压器及其它电力设备的过载或短路保护
分享至:
- 产品介绍
- 视频中心
- 相关证书
- 样品申请
- PDF下载










销售热线
















