全国服务热线
400-875-1500
400-875-1500
销售热线:13720093566

扫一扫,添加销售经理
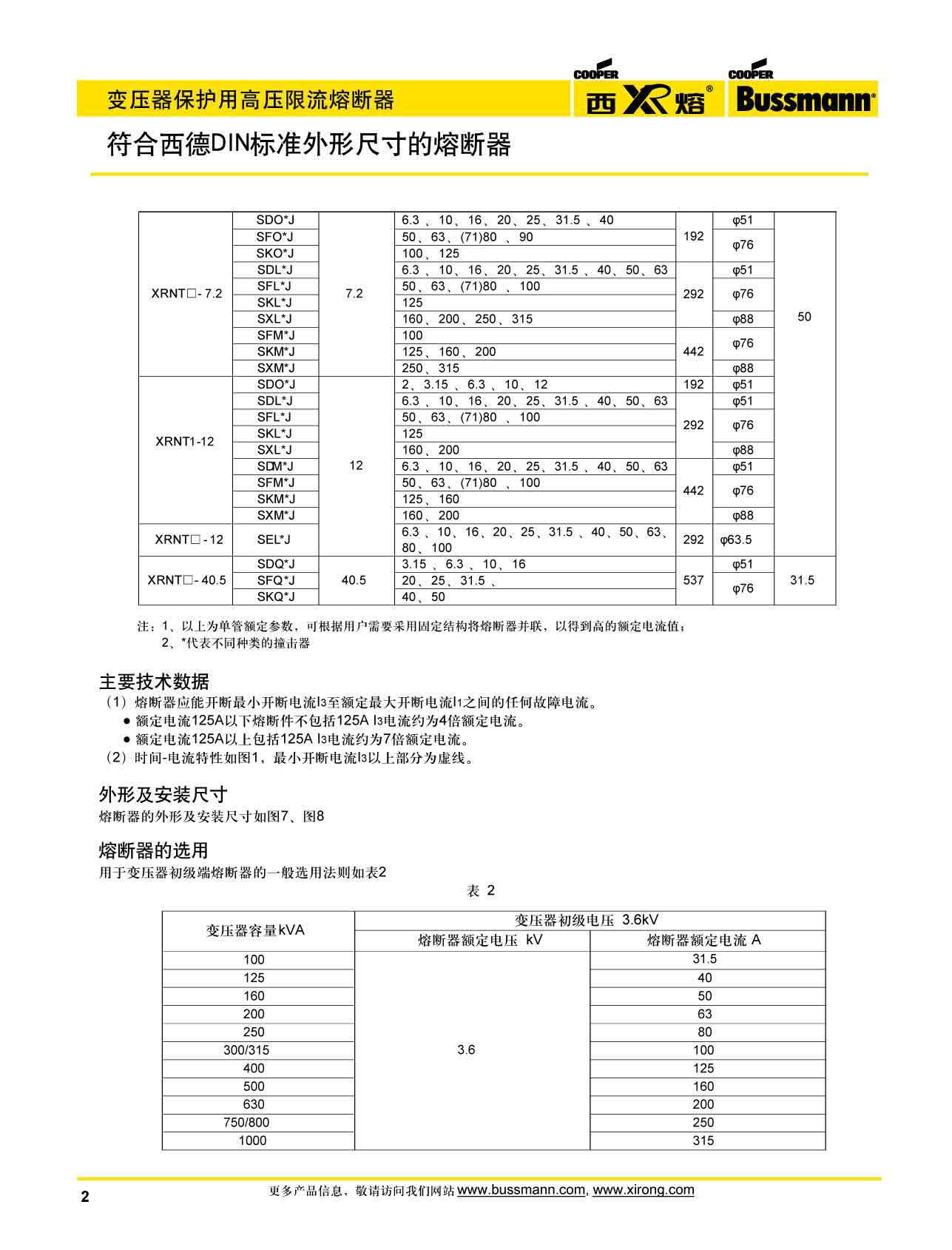
变压器保护限流熔断器SFLDJ-12KV/80A-G
常规型号:XRNP1-12/6.3-50-1;XRNP1-12KV/0.5-50KA-2;XRNP1-12KV/1A-50KA-1;XRNP6-7.2KV/0.5-50KA-1
额定电流:6.3-315A
额定电压:7.2KV;12KV;40.5KV
配套产品:负荷开关;真空接触器等
应用:电力变压器及其它电力设备的过载或短路保护
分享至:
- 产品介绍
- 视频中心
- 相关证书
- 样品申请
- PDF下载





上一篇:没有了 下一篇:高压限流熔断器XRNP6-7.2KV/0.5-50KA-1






销售热线
















