您好,欢迎来到乐彩汇官网!
乐彩汇
专注电气元件品牌销售服务
当前位置:首页 > 产品中心 > Bussmann > 快速熔断器 > 西熔快速熔断器 >
产品中心
全国服务热线
400-875-1500
销售热线:13720093566

扫一扫,添加销售经理

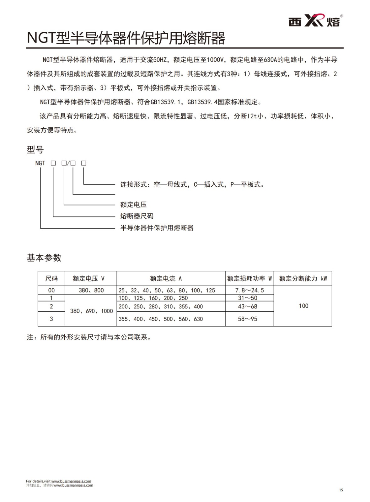
NGT-1 700快速熔断器

库存料号:NGT-1 700V/250A

连线方式有3种:

1)母线连接式,可外接指熔

2)插入式,带有指示器

3)平板式,可外接指熔或开关指示装置。

符合标准:GB13539.1,GB13539.4国家标准规定

销售热线
13720093566

扫一扫,添加销售经理
分享至:
  • 产品介绍
  • 视频中心
  • 相关证书
  • 样品申请
  • PDF下载

NGT-1 700快速熔断器选型

NGT-1 700快速熔断器尺寸

NGT-1 700快速熔断器参数